• VSH - Ventil de siguranță, alamă, filet exterior-interior R1/2" x G1/2"

  • In stoc
    TIF001ARM2246
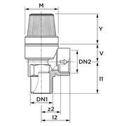
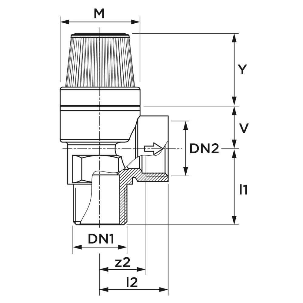
Ventil de siguranță din alamă, cu filet exterior R1/2" și interior G1/2", conceput pentru sisteme de încălzire. Presiune maximă de funcționare: 3 bar. Etanșare: EPDM și PTFE. Construcție perpendiculară.
  • 21.33 lei include 21% TVA
    +
  • parteneri

    Pentru parteneri business vă rugăm să vă înregistrați

    Pentru alte detalii nu ezitați să ne contactați la adresa de e-mail office@tifui-shop.ro sau la numărul de telefon 0755 325 210

  • Descriere

    VSH - Ventilul de siguranță este destinat protejării instalațiilor de încălzire în clădiri comerciale, prin evacuarea presiunii excesive. Corpul este realizat din alamă, cu filet exterior R (conic BSPT) și interior G (cilindric BSPP). Etanșarea este asigurată prin elemente din EPDM și PTFE. Are o construcție perpendiculară, ușor de montat în spații tehnice. Presiune maximă admisă: 3 bar. Dimensiuni: 42 x 32 x 74 mm.

    Caracteristici

    Brand:
    • VSH